مفاهیم پایه ایی (Basic) اتوکد
مروری بر مفاهیم پایه ایی اتوکد و کنترل هایLT اتوکد.
پس از راه انداری اتوکد یا AutoCAD LT ، در زبانه (tab) مربوط بهStart ، بر روی دکمه Start Drawing کلیک کنید تا یک طراحی جدید شروع شود.

یک نوار استاندارد زبانه دار (ribbon) در بالای قسمت طراحی قرار دارد. شما می توانید تقریباً به تمام دستورات ارائه شده در این راهنما ، از زبانه Home دسترسی داشته باشید. علاوه بر این ، نوار ابزار Quick Access نشان داده شده در تصویر زیر ، شامل دستورات رایج مانند New ، Open ، Save ، Print و Undo است.

توجه: اگر زبانه Home در بالای نوار ، زبانه فعلی نباشید، روی آن کلیک کنید.
پنجره فرمان (Command Window)
در قلب این برنامه ، پنجره Command قرار دارد که معمولاً در پایین پنجره application قرار دارد. پنجره Command ، موارد فوری ، آپشن ها و پیام ها را نمایش می دهد.

به جای استفاده از نوار ، نوارهای ابزار و منوها، می توانید دستورات را مستقیماً در پنجره Command وارد کنید. بسیاری از کاربران کهنه کار ، این روش را ترجیح می دهند.
توجه داشته باشید که وقتی شما شروع به تایپ یک دستور می کنید ، به صورت خودکار دستور تکمیل می شود. وقتی چندین گزینه همانند مثال زیر وجود داشته باشید ، می توانید انتخاب خود را با کلیک بر روی آن یا با استفاده از کلیدهای جهت دار صفحه کلید خود انجام دهید و سپس دکمه Enter یا فاصله را فشار دهید.

ماوس
اکثر افراد از موس به عنوان ابزار اشاره گر خود استفاده می کنند ، اما دستگاه های دیگر نیز کنترل های معادل را دارند.

نکته: هنگامی که به یک گزینه نگاه می کنید ، سعی کنید آن را راست کلیک کنید. بسته به جایی که مکان نمای شما قرار دارد و اینکه آیا شما در command هستید ، منویی که نمایش داده می شود ، دستورات و گزینه های مربوطه را فراهم می کند.
New Drawings
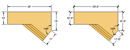
شما به راحتی می توانید با استانداردهای صنعت یا شرکت از طریق مشخص کردن تنظیمات متن ، ابعاد ، نوع خطوط و چندین ویژگی دیگر خود را انطباق دهید. به عنوان مثال ، این طراحی backyard deck دو سبک مختلف را نشان می دهد.

همه این تنظیمات را می توان در یک فایل تمپلت طراحی (drawing template file) ذخیره کرد. برای انتخاب از چندین فایل تمپلت طراحی ، روی گزینه New کلیک کنید:

- برای طراحی های imperial ، که فرض می شود واحدهای شما اینچ هستند ، از acad.dwt یا acadlt.dwt استفاده کنید.
 - برای واحدهای متریک که فرض می شود واحدهای شما میلی متر هستند ، از acadiso.dwt یا acadltiso.dwt استفاده کنید.
 
![]()
فایل های تمپلت “Tutorial" در لیست ، مثال های ساده ای برای رشته های طراحی معماری یا مکانیک با نسخه imperial (i) و metric (m) هستند. ممکن است بخواهید آنها را امتحان کنید.
اکثر شرکت ها از فایل های تمپلت طراحی استفاده می کنند که مطابق با استانداردهای شرکت می باشند. اغلب آنها بسته به نوع پروژه یا مشتری ، از فایل های تمپلت طراحی مختلف استفاده می کنند.
فایل تمپلت طراحی خود را ایجاد کنید
شما می توانید هر فایل طراحی (.dwg) را به عنوان یک فایل تمپلت طراحی (.dwt) ذخیره کنید. شما ه مچنین می توانید هر فایل تمپلت طراحی موجود را باز کنید ، آن را تغییر دهید ، و در صورت لزوم ، دوباره آن را با filename دیگری ذخیره کنید.

اگر به طور مستقل کار می کنید ، می توانید فایل های تمپلت طراحی خود را با توجه به تنظیمات کاری خود ، با اضافه کردن تنظیمات به ویژگی های اضافی ، همان طور که با آنها آشنا هستید ، توسعه دهید.
برای تغییر یک فایل تمپلت طراحی موجود ، بر روی گزینه Open کلیک کنید، Template Drawing (* .dwt) را در کادر محاوره ای Select File تعیین کنید و فایل Template را انتخاب کنید.

مهم: اگر شرکت شما قبلاً مجموعه ای از فایل های تمپلت طراحی را ایجاد کرده است ، قبل از اصلاح هر یک از آنها با مدیر CAD خود تماس بگیرید.
واحدها
پس از شروع یک طراحی جدید ، ابتدا تصمیم بگیرید که چه چیزی طول یک واحد را نشان دهد - یک اینچ ، یک فوت ، یک سانتی متر ، یک کیلومتر یا یک واحد دیگر. به عنوان مثال ، اشیاء زیر می توانند دو ساختمان را که هر کدام 125 فوت طول دارند ، نمایان سازند یا می توانند قسمت هایی از یک بخش مکانیکی که در واحد میلی متر اندازه گیری شده اند ، نشان دهند.

تنظیمات نمایش واحد
پس از تعیین طول واحد که می خواهید استفاده کنید ، دستور UNITS به شما اجازه می دهد تا چندین تنظیمات نمایش واحد ، از جمله موارد زیر را کنترل کنید:
- فرمت (یا نوع) . به عنوان مثال ، طول دهدهی 6.5 می تواند به جای نشان دادن طول کسری 6-1/2 تنظیم شود.
 - دقت. برای مثال ، یک طول دهدهی 6.5 می تواند برای نمایش 6.50، 6.500 یا 6.5000 تنظیم شود.
 
اگر شما قصد دارید در واحد فوت و اینچ کار کنید ، از دستور UNITS برای تنظیم نوع واحد به Architectural استفاده کنید ، و سپس هنگامی که اشیاء را ایجاد می کنید ، طول آنها را در اینچ مشخص کنید. اگر شما قصد استفاده از واحدهای متریک را دارید ، نوع واحد را در مقدار Decimal رها کنید. تغییر فرمت و دقت واحد بر دقت داخلی طراحی شما تاثیر نمی گذارد. این کار فقط تاثیر بر نحوه نمایش طول ، زاویه و مختصات در رابط کاربری دارد.
نکته: اگر یک تنظیم برای نمایش واحد یا هر تنظیم دیگری را تغییر دهید ، می توانید تنظیمات را در یک فایل تمپلت طراحی ذخیره کنید. در غیر این صورت ، شما باید تنظیمات را برای هر طراحی جدید تغییر دهید.
مقیاس مدل
همیشه مدل های خود را در اندازه کامل (مقیاس 1: 1) ایجاد کنید. اصطلاح مدل به هندسه طراحی شما اشاره دارد. طراحی شامل هندسه مدل همراه با view ها، یادداشت ها، ابعاد، ضمیمه ها، جداول و بلوک عنوان نمایش داده شده در طرح است.
بعد از ایجاد طرح ، مقیاس را برای چاپ طراحی در یک شیت با اندازه استاندارد مشخص کنید.
توصیه ها
برای باز کردن Help با اطلاعات در مورد فرمان در حال اجرا ، به سادگی F1 را فشار دهید.
برای تکرار دستور قبلی ، کلید Enter یا فاصله را فشار دهید.
برای دیدن آپشن های مختلف ، یک شی را انتخاب کنید و کلیک راست کنید ، یا بر روی یک عنصر رابط کاربر راست کلیک کنید.
برای لغو فرمان در حال اجرا و یا اگر حس کردید که فرمان گیر کرده است ، Esc را فشار دهید. برای مثال ، اگر قبل از وارد کردن یک دستور ، روی ناحیه طراحی کلیک کنید ، چیزی شبیه به موارد زیر را خواهید دید:

برای لغو این عملیات پیش از انتخاب ، کلید Esc را فشار دهید.
این فصل در یک نگاه:
فصل نهم : پروژه معماری هتل • معرفی پروژه • ترسیم خطوط آکس بندی قائم • نامگذاری محورهای آکس • ترسیم پارکینگ سمت چپ هتل •…
این دوره شامل بیش از 240 جلسه ویدئوی آموزشی اتوکد می باشد و به جرات می گوییم که کاملترین دوره اتوکد در بین تمام آموزش های فارسی و حتی غیر فارسی محسوب می شود. در طول دوره مثالها و پروژه های و…
                        
            
            
            
            
				 
            
